0
0
Код Товара: 000001532
Производитель: APE
Отзывы:
0
526 грн.
Характеристики:
(Смотреть все)
Гарантия
14 дней
Вид соединения
Разборное соеденение
Тип
Тройник
Вес брутто (кг.)
0.262000
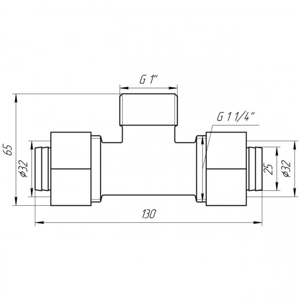
Диаметр (мм.)
32
Описание
Трійник із зовнішнім різьбленням APE ITALY 733 L 32х1″х32
Країна виробник - Італія
Виробник - APE Raccorderie
Матеріал корпусу - нікельована латунь
Діапазон температур: від -25 ° C до 120 ° C
Робочий тиск: 16 бар макс.
Габарити: 32x1″x32 на 32 металопластикову трубу
Вага нетто: 575г
Трійники серії 733 L були спроектовані і реалізовані для надання допомоги установника, скорочуючи час на монтаж і збільшуючи характеристики стійкості в часі. Крім того, дана серія фітингів не вимагає особливих інструментів для монтажу Стійкість кріплення між трубою і фитингом гарантується одночасним наявністю двох кілець ущільнювачів (2), розташованих в ялинці (6) і особливою, противоскользящей, формою самої ялинки (у вигляді зубів пилки). Кріплення труби відбувається за рахунок особливого виду пресування, що складається з радіального пресування, отриманого за рахунок загвинчування гайки (7) яка визначає стиснення розрізаної ожівальной частини (5) навколо труби і осьового пресування, яке стискає кільце ущільнювача (4) на корпусі. Подібна система пресування гарантує стійкість отриманого з'єднання в будь-яких умовах роботи. Крім того, працюючи на латуні в пресуванні, виключаються ризики виникнення мікротріщин. Наявність шайби (3) з PTFE ізолює алюміній труби від латуні фитинга для уникнення виникнення корозійних ефектів
Переваги різьбових трійників APE:
Виключне італійське якість, перевірена часом
Простота монтажу
Високі експлуатаційні властивості
Герметичність і надійність з'єднання виключає ризик виникнення протікання
відсутність необхідності у використанні дорогого устаткування при їх монтажі
стійкість до зовнішнього впливу і перепадів температур, морозостійкість
Країна виробник - Італія
Виробник - APE Raccorderie
Матеріал корпусу - нікельована латунь
Діапазон температур: від -25 ° C до 120 ° C
Робочий тиск: 16 бар макс.
Габарити: 32x1″x32 на 32 металопластикову трубу
Вага нетто: 575г
Трійники серії 733 L були спроектовані і реалізовані для надання допомоги установника, скорочуючи час на монтаж і збільшуючи характеристики стійкості в часі. Крім того, дана серія фітингів не вимагає особливих інструментів для монтажу Стійкість кріплення між трубою і фитингом гарантується одночасним наявністю двох кілець ущільнювачів (2), розташованих в ялинці (6) і особливою, противоскользящей, формою самої ялинки (у вигляді зубів пилки). Кріплення труби відбувається за рахунок особливого виду пресування, що складається з радіального пресування, отриманого за рахунок загвинчування гайки (7) яка визначає стиснення розрізаної ожівальной частини (5) навколо труби і осьового пресування, яке стискає кільце ущільнювача (4) на корпусі. Подібна система пресування гарантує стійкість отриманого з'єднання в будь-яких умовах роботи. Крім того, працюючи на латуні в пресуванні, виключаються ризики виникнення мікротріщин. Наявність шайби (3) з PTFE ізолює алюміній труби від латуні фитинга для уникнення виникнення корозійних ефектів
Переваги різьбових трійників APE:
Виключне італійське якість, перевірена часом
Простота монтажу
Високі експлуатаційні властивості
Герметичність і надійність з'єднання виключає ризик виникнення протікання
відсутність необхідності у використанні дорогого устаткування при їх монтажі
стійкість до зовнішнього впливу і перепадів температур, морозостійкість
Характеристики
Характеристики
Гарантия
14 дней
Вид соединения
Разборное соеденение
Тип
Тройник
Вес брутто (кг.)
0.262000
Диаметр (мм.)
32
Диаметр резьбы
1"В
Объём (м³)
0.000280
Страна происхождения
Италия
Страна регистрации бренда
Италия
Отзывы
Нет отзывов о данном товаре, станьте первым, оставьте свой отзыв.
Вопросы и ответы
Нет вопросов о данном товаре, станьте первым и задайте свой вопрос.
- Самовывоз
- Доставка курьером
- Новая Почта
- Доставка службой Новая Почта по территории всей Украины.
- Доставка курьером
- Новая Почта
- Доставка службой Новая Почта по территории всей Украины.
- Оплата при получении в отделении Новая Почта
- Оплата наличными при самовывозе из г. Киев
- Безналичный расчет
- Оплата картой Visa, Mastercard
- Оплата наличными при самовывозе из г. Киев
- Безналичный расчет
- Оплата картой Visa, Mastercard
- Актуальная информация и цена
- 100% оригінальний товар
- Повернення протягом 14 дней с момента отримання товара
- 100% оригінальний товар
- Повернення протягом 14 дней с момента отримання товара
Трійник із зовнішньою різьбою APE ITALY 733 L 32х1″х32 (000001532)
526 грн.