0
0
Модель: 000025790
Виробник: Dacia
Відгуки:
0
Знайшли дешевше?
71 грн.
Купити в 1 клік:
Характеристики:
(Дивитись усі)
Вага
12 месяцев
Гарантия
12 месяцев
Матеріал
Никель
Материал
Никель
Призначення
Прямое соединение трубопровода со шлангом
Опис
Назва товару
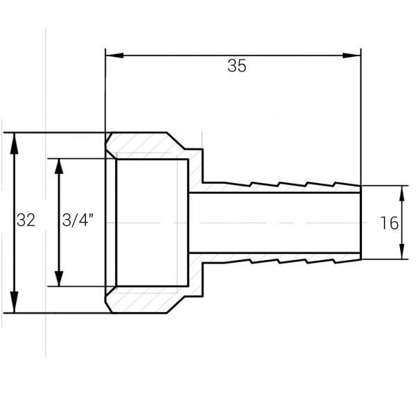
Штуцер нікельований 3/4″ ВР х 16 мм штампований А2043А(нк) VA
Опис
Штуцер нікельований 3/4″ ВР х 16 мм штампований А2043А(нк) VA призначений для прямого з’єднання трубопроводу зі шлангом у системах водопостачання, опалення та інших інженерних мережах. Виготовлений із латуні марки ЛС 59-1 з нікельованим покриттям, що забезпечує високу стійкість до корозії та довговічність експлуатації.
Виріб виготовляється методом гарячого об’ємного штампування, що гарантує міцність конструкції та точність розмірів. Штуцер має внутрішню різьбу 3/4″ та патрубок під шланг діаметром 16 мм, що дозволяє швидко та надійно підключати гнучкі трубопроводи до різьбових з’єднань.
Завдяки компактним розмірам і стандартному виконанню, штуцер легко монтується та сумісний із більшістю сучасних систем.
Характеристики
• Модель: А2043А(нк) VA
• Тип товару: Штуцер нікельований
• Призначення: Пряме з’єднання трубопроводу зі шлангом
• Матеріал виробу: Латунь ЛС 59-1
• Матеріал додаткових елементів: Нікельоване покриття
• Колір / покриття: Сріблястий (нікель)
• Розміри: 3×4×3 см
• Вага: 0,042 кг
• Країна-виробник: Китай
• Країна реєстрації бренду: Китай
• Робочі параметри: Підходить для води, повітря, неагресивних рідин
• Тиск / температура: Робочий тиск до 16 бар, температура до +120°C
• Електричні параметри: Не застосовується
• Ресурс / строк служби: Не менше 10 років
• Гарантія: 12 місяців
Переваги
• Висока корозійна стійкість завдяки нікельованому покриттю
• Міцна конструкція зі штампованої латуні
• Стандартне різьбове з’єднання 3/4″ ВР
• Легкий монтаж у різних системах
• Сумісність із більшістю шлангів діаметром 16 мм
Особливості
• Внутрішня різьба 3/4″ для підключення до труб
• Патрубок під шланг 16 мм
• Компактна форма
• Висока точність виготовлення
• Стійкість до механічних навантажень
Функції
• Забезпечує герметичне з’єднання трубопроводу зі шлангом
• Дозволяє швидко підключати та відключати шланги
Комплектація
• Основний виріб: штуцер нікельований 3/4″ ВР х 16 мм
• Упаковка
Технічні дані
• Різьба: 3/4″ внутрішня (BSP)
• Діаметр патрубка під шланг: 16 мм
• Матеріал: латунь ЛС 59-1, нікельоване покриття
• Метод виробництва: гаряче штампування
• Габарити: 3×4×3 см
• Вага: 0,042 кг
• Робочий тиск: до 16 бар
• Робоча температура: до +120°C
Сфера застосування
Використовується у системах водопостачання, опалення, поливу, на виробництві, у приватних будинках, квартирах, котеджах, на дачах.
Сумісність
Підходить для підключення до труб із внутрішньою різьбою 3/4″ та шлангів діаметром 16 мм. Сумісний із більшістю стандартних фітингів, кранів, насосів.
Попередження
Не перевищувати робочий тиск і температуру. Не використовувати з агресивними середовищами. Монтаж виконувати із застосуванням ущільнювачів.
Умови експлуатації
Рекомендована температура навколишнього середовища: від -20°C до +60°C. Вологість — до 95%. Призначений для побутового та напівпрофесійного використання.
Стійкість до середовищ
• До води, вологи, корозії
• До побутової хімії
• До механічного зносу
Конструктив
• Корпус із латуні з нікельованим покриттям
• Внутрішня різьба 3/4″
• Патрубок під шланг 16 мм
• Відсутність рухомих частин
Чому саме цей товар
• Виготовлений із якісної латуні з нікельованим покриттям
• Сумісний із більшістю стандартних систем
• Легкий монтаж і надійність з’єднання
• Довговічність і стійкість до корозії
• Оптимальне співвідношення ціни та якості
---
Характеристики
Характеристики
Вага
12 месяцев
Гарантия
12 месяцев
Матеріал
Никель
Материал
Никель
Призначення
Прямое соединение трубопровода со шлангом
Тип
Штуцер
Вес брутто (кг.)
0.042000
Выдвижная лейка
12 месяцев
Давление / температура
Рабочее давление до 16 бар, температура до +120°C
• Давление / температура
Рабочее давление до 16 бар, температура до +120°C
Материал дополнительных элементов
Никелированное покрытие
Диаметр резьбы
3/4″
Тип товара
Штуцер никелированный
Вес
0,042 кг
Объём (м³)
0.000036
Угол
Прямое соединение трубопровода со шлангом
Материал верхней опоры
Прямое соединение трубопровода со шлангом
Страна происхождения
Украина
Страна регистрации бренда
Китай
• Рабочие параметры
Подходит для воды, воздуха, неагрессивных жидкостей
Размеры
Штуцер никелированный
Тип соединения
Внутреннее
• Размеры
3×4×3 см
Резьба для насадок
Штуцер никелированный
Ресурс / срок службы
не менее 10 лет
Страна-производитель
Китай
• Ресурс / срок службы
Не менее 10 лет
Тип крепления
Штуцер никелированный
Мoдель
А2043А VA
Материал изделия
Латунь ЛС 59-1
Цвет / покрытие
Серебристый
Рабочие параметры
Подходит для воды, воздуха, неагрессивных жидкостей
Рабочий формат
3×4×3 см
Электрические параметры
Не применимо
Розміри
Штуцер никелированный
• Гарантия
12 месяцев
Покрываемая пачкой площадь
Прямое соединение трубопровода со шлангом
• Материал дополнительных элементов
Никелированное покрытие
• Страна-производитель
Китай
• Цвет / покрытие
Серебристый
• Электрические параметры
Не применимо
Відгуки
Немає відгуків про цей товар, станьте першим, залиште свій відгук.
Питання та відповіді
Немає питань про даний товар, станьте першим і задайте своє питання.
- Самовивіз
- Доставка кур'єром
- Нова Пошта
- Доставка службою Нова Пошта по території всієї України.
- Доставка кур'єром
- Нова Пошта
- Доставка службою Нова Пошта по території всієї України.
- Оплата при отриманні у відділенні Нова Пошта
- Оплата готівкою при самовивозі з м. Київ
- Безготівковий розрахунок
- Оплата картою Visa, Mastercard
- Оплата готівкою при самовивозі з м. Київ
- Безготівковий розрахунок
- Оплата картою Visa, Mastercard
- Актуальна наявність та ціна
- 100% оригінальний товар
- Повернення протягом 14 днів з моменту отримання товару
- 100% оригінальний товар
- Повернення протягом 14 днів з моменту отримання товару
Штуцер нікельований 3/4″ВР х 16мм штампований А2043А(нк) VA (000025790)
71 грн.